BZ6
Aplicación industrial en básculas de plataforma, básculas para transpaletas, sistemas de dosificación y medición de nivel y con el uso de módulos de pesaje, también se utilizan en el pesaje de tanques y silos. Fabricado en acero inoxidable, con grado de protección IP69k, garantizando un completo sellado hermético.

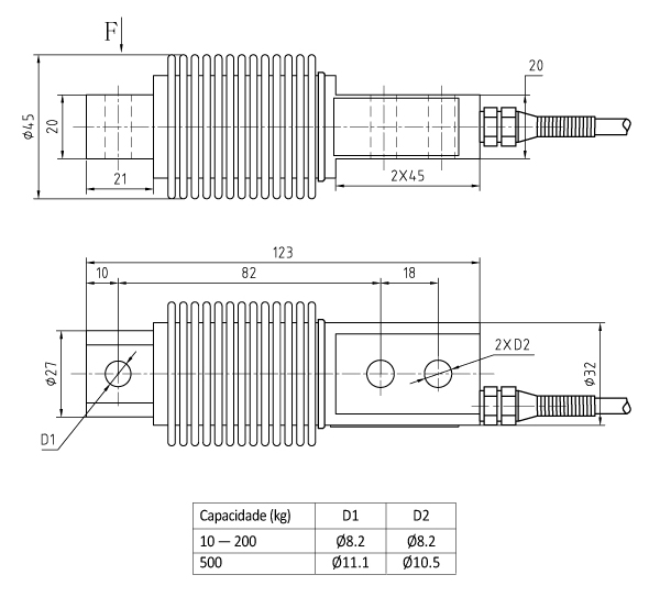
SOPORTE COMPATIBLE
Compatible con soporte SIP-SHBxR, con versión de acero al carbono o acero inoxidable. Ideal para aplicaciones que trabajan con gran movimiento y temblores.
VERSÁTIL
Disponible en diferentes capacidades máximas, atendiendo aplicaciones con rangos de pesaje desde 5 kg hasta 1 t.
Características especiales
- Disponible en diferentes capacidades máximas, satisfaciendo aplicaciones con rangos de pesaje de 5 kg a 1 t.
- Fabricado en acero inoxidable, con índice de protección IP68, garantizando un sellado hermético completo.
- Compatible con el soporte SIP-SHBxR, con versión en acero al carbono o acero inoxidable, ideal para aplicaciones que trabajan con gran movimiento y vibración.

.png)


